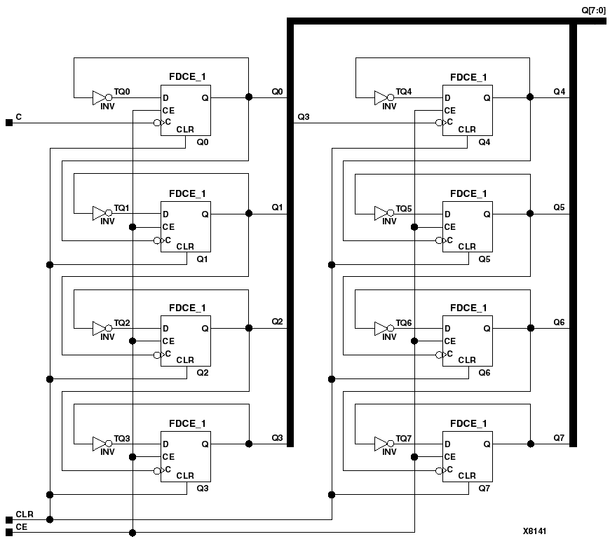
Figure 4.49 CR8CE Implementation XC3000

CR8CE Implementation XC3000 figures/x8141.gif