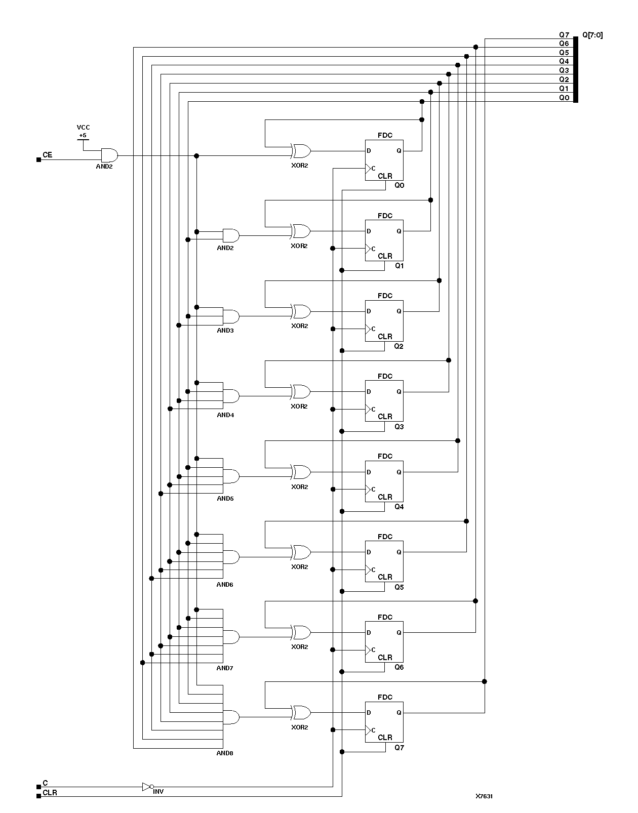
Figure 4.51 CR8CE Implementation XC9000

CR8CE Implementation XC9000 figures/x7631.gif