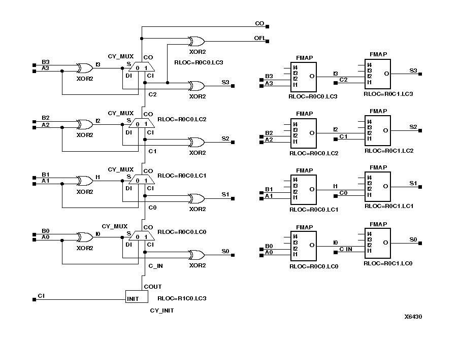
Figure 4.53 CY_MUX 4-Bit Adder Schematic XC5200

CY_MUX 4-Bit Adder Schematic XC5200 figures/x6430n.gif