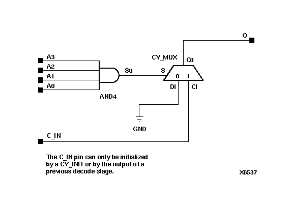
Figure 4.57 DEC_CC4 Implementation XC5200

DEC_CC4 Implementation XC5200 figures/x6537n.gif