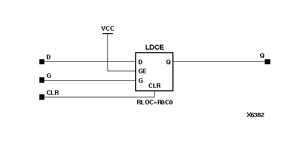
Figure 7.8 LDC Implementation XC5200

LDC Implementation XC5200 figures/x6382n.gif