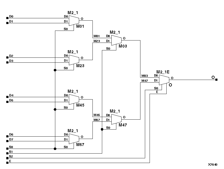
Figure 7.22 M8_1E Implementation XC3000, XC4000, XC5200, XC9000, Spartans

M8_1E Implementation XC3000, XC4000, XC5200, XC9000, Spartans figures/x7640.gif