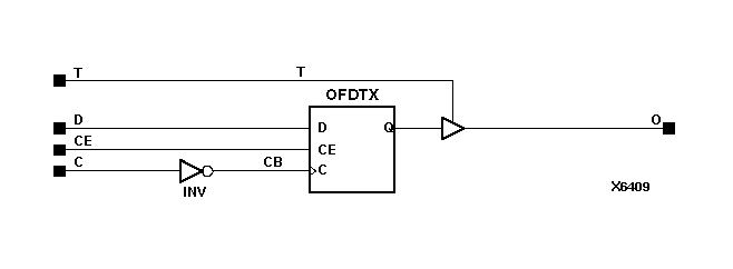
Figure 8.38 OFDTX_1 Implementation XC4000, Spartans

OFDTX_1 Implementation XC4000, Spartans figures/x6409n.gif