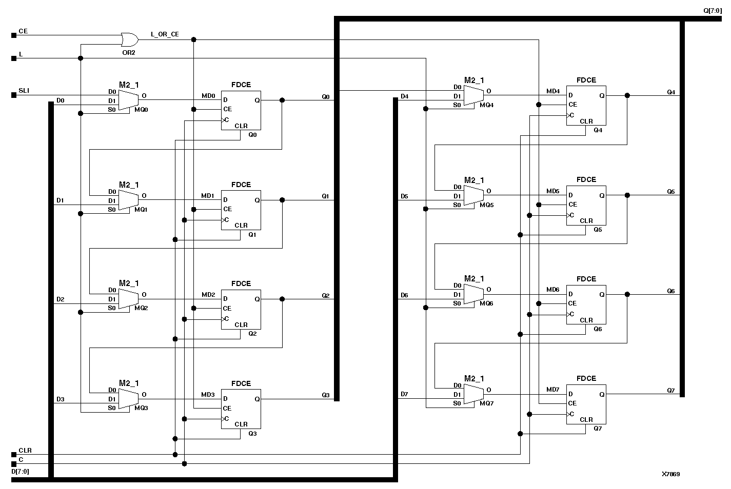
Figure 10.5 SR8CLE Implementation XC3000, XC4000, XC5200, XC9000, Spartans, Virtex

SR8CLE Implementation XC3000, XC4000, XC5200, XC9000, Spartans, Virtex figures/x7869.gif