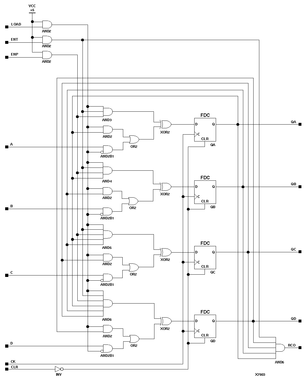
Figure 11.20 X74_161 Implementation XC9000

X74_161 Implementation XC9000 figures/x7903.gif