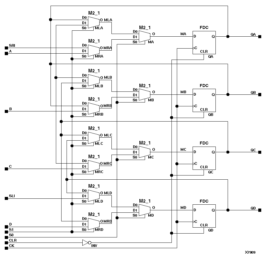
Figure 11.31 X74_194 Implementation XC3000, XC4000, XC5200, XC9000, Spartans

X74_194 Implementation XC3000, XC4000, XC5200, XC9000, Spartans figures/x7909.gif