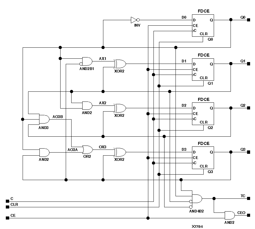
Figure 4.30 CD4CE Implementation XC3000, XC4000, XC5200, Spartans, Virtex

CD4CE Implementation XC3000, XC4000, XC5200, Spartans, Virtex figures/x7784.gif