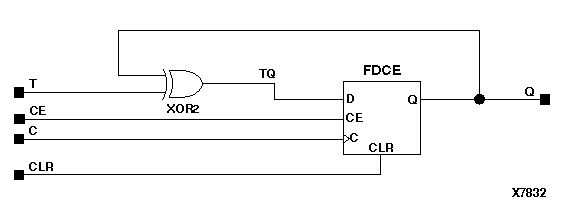
Figure 5.51 FTCE Implementation XC3000, XC4000, XC5200, Spartans, Virtex

FTCE Implementation XC3000, XC4000, XC5200, Spartans, Virtex figures/x7832.gif