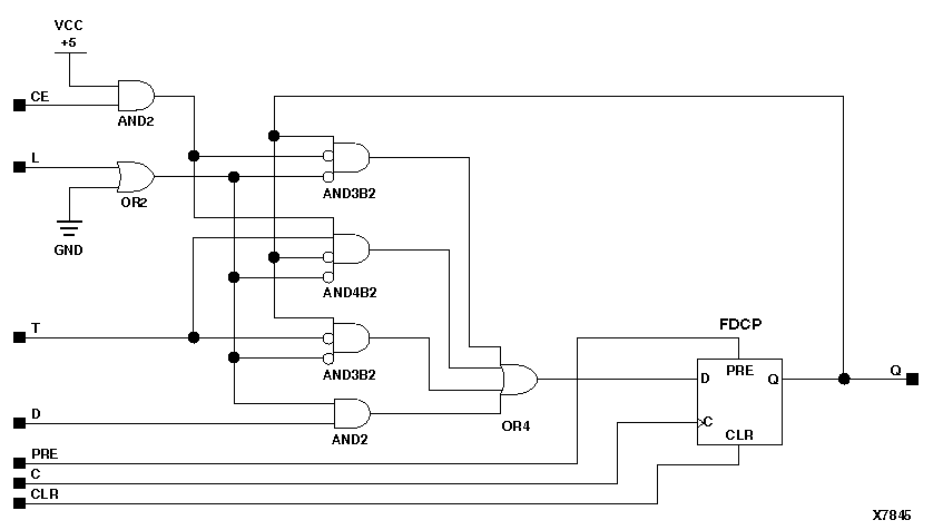
Figure 5.58 FTCPLE Implementation XC9000

FTCPLE Implementation XC9000 figures/x7845.gif