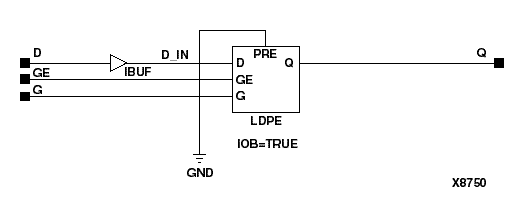
Figure 6.42 ILDXI Implementation Virtex

ILDXI Implementation Virtex figures/x8750.gif