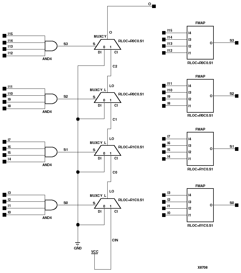
Figure 3.32 AND16 Implementation Virtex

AND16 Implementation Virtex figures/x8708.gif