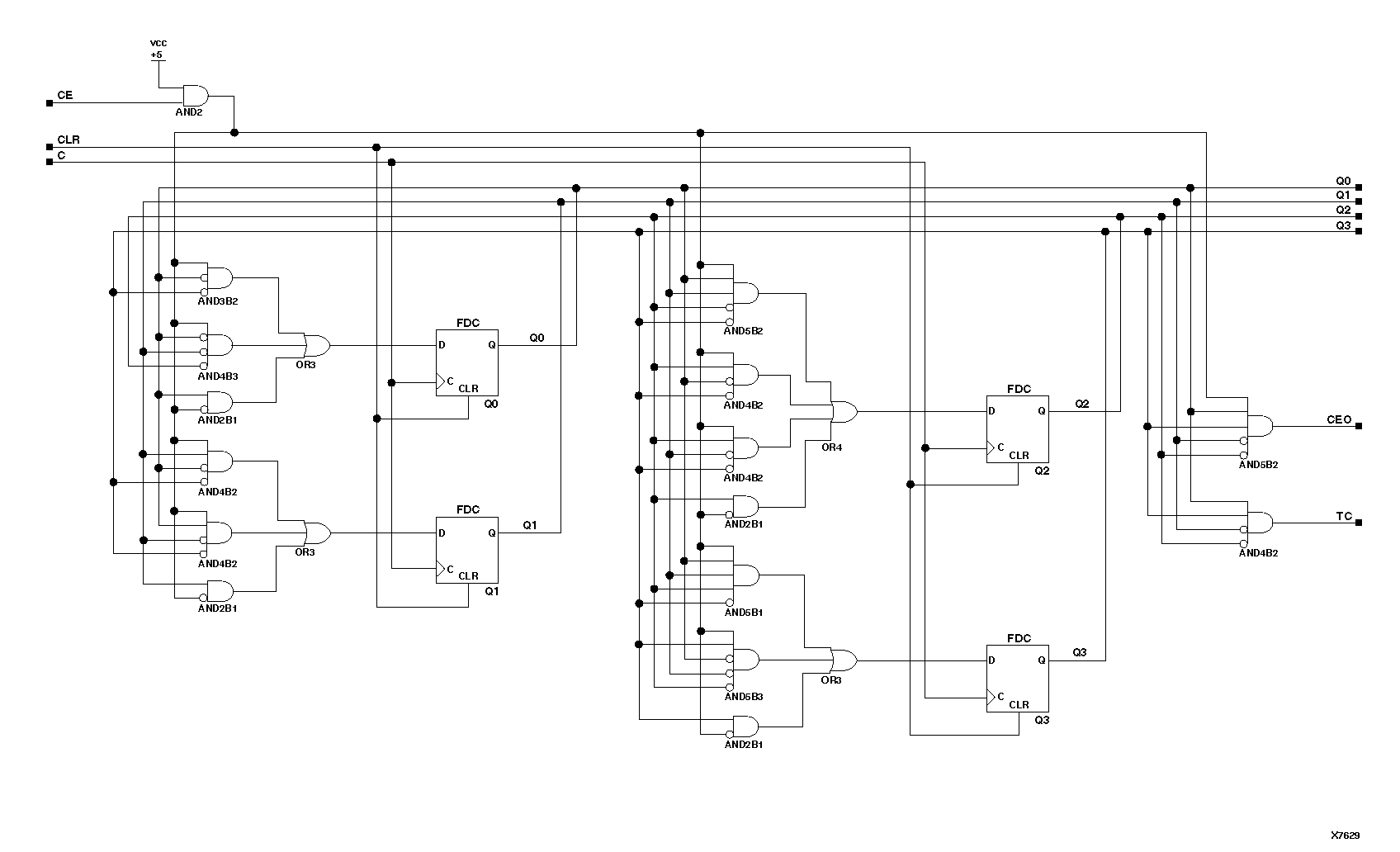
Figure 4.31 CD4CE Implementation XC9000

CD4CE Implementation XC9000 figures/x7629.gif