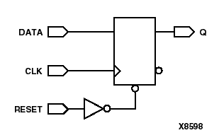
Figure 6.10 D Flip-Flop with Asynchronous Reset