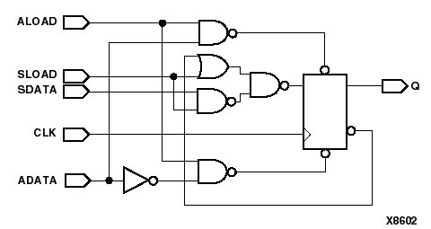
Figure 6.14 D Flip-Flop with Synchronous and Asynchronous Load