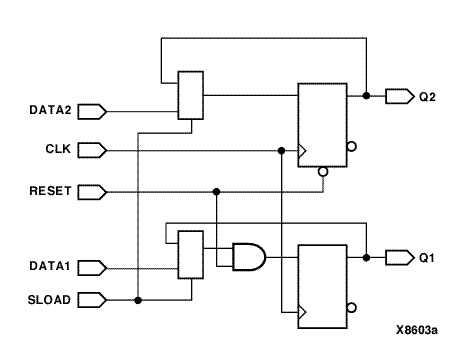
Figure 6.15 Multiple Flip-Flops with Asynchronous and Synchronous Controls