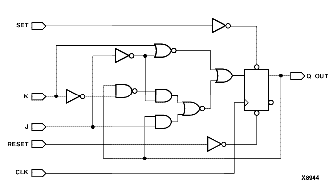
Figure 6.18 Toggle Flip-Flop with Asynchronous Set