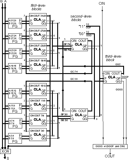
Figure A.5 Carry-Lookahead Adder Block Diagram