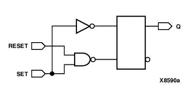
Figure 6.1 SR Latch