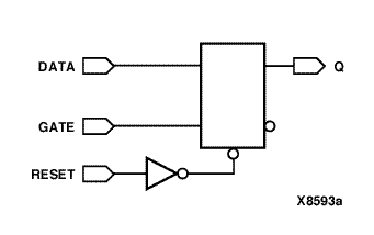
Figure 6.4 D Latch with Asynchronous Reset